型号:2000-60PA型magnehelic差压表
参数:量程(Pascals):0-60
品牌:德威尔

系列简介及说明

选择德威尔Magnehelic® 差压表可以保证获得满刻度的高精度,并且有多达81 种量程范围选择,可以精确地满足您的要求。这种差压表采用德威尔简洁、无摩擦的Magnehelic 移动部件,可以迅速测量出空气或非腐蚀性气体的微压-正压、负压(真空)或差压都可。其设计抗冲击、防震并且有过载保护。它没有压力计液体蒸发、冻结的问题,也不会导致中毒或水准的问题。并且其价位也很低。Magnehelic® 在工业上被广泛用来测量风扇和鼓风机的压力,过滤器阻力、风速、炉体通风、孔板造成的压降,起泡系统的液位和增压器或液压系统的压力。它还能检测气体-空气比率控制和自动控制阀,以及用在医疗设备上监测血液和呼吸压力。

系列用途


使用说明

高标准的设计和结构

安装方式

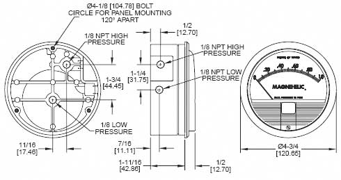
大多数Magnehelic 差压表采用同一种尺寸的外壳。可以利用随产品提供的标准硬件对差压表进行表面或嵌入式安装。
使用A-610 型管道安装件,可以轻易地将它安装在水平或垂直的11⁄4˝ - 2˝ 管道上。虽然它是对垂直位置进行标定的,但很多量程大于1˝ 的,只需作简单的重新调零即可用于任意角度。然而,为了达到最大精度,它们必须在与使用位置相同的位置进行标定。这些特性使得Magnehelic® 差压表无论对固定安装使用,还是对便携使用,都很理想。如果要进行嵌入式安装,必须钻一个49⁄16˝ 的孔。每个设备配有完整的安装和连接件及说明。
+安装方式1.jpg)
通气阀
如果在应用时,压力是连续的,而Magnehelic® 差压表用不易移动的金属或塑料管相连,我们建议您使用Dwyer A-310A 通气阀来连接差压表。这样就可以在检查差压表或对差压表进行调零时除去差压。
+安装方式2.jpg)
高压和中压型号
安装与标准型差压表类似,除了嵌入式安装时需要一个413⁄16˝的孔。中压结构可承受35psig 的内压,而高压结构可承受80psig 的内压。各种型号的均有。因为外壳较大,所以中压和低压型不适合于便携箱。在标准Magnehelic® 差压表上安装A-321 安全减压阀可以对差压表提供足够的保护,来抵御突然出现过高压的情况。
+安装方式3.jpg)
外形尺寸